VOLG ONS:

Producten
20A Combinatie roterende nokkenschakelaar 4kw
  • 20A Combinatie roterende nokkenschakelaar 4kw20A Combinatie roterende nokkenschakelaar 4kw

20A Combinatie roterende nokkenschakelaar 4kw

Yaming, met meer dan 30 jaar ervaring in de sector, lanceert de 20A Combinatie Rotary Cam Switch 4kW, die stabiele, efficiënte en aanpasbare besturingsoplossingen biedt voor verschillende circuits. Als professionele fabrikant, gevestigd in China, vertrouwen we op onze sterke technische capaciteiten en ons rigoureuze kwaliteitsmanagementsysteem, beginnend bij onze geavanceerde productiefaciliteiten, om betrouwbare schakelproducten te leveren aan industriële klanten over de hele wereld, waardoor we een vertrouwde leverancier worden.

Zhejiang Yaming Electric heeft meer dan 30 jaar professionele ervaring in de elektrische industrie. Met zijn sterke technische capaciteiten en een rigoureus kwaliteitsmanagementsysteem is het een betrouwbare en toonaangevende leverancier van elektrische schakelaars geworden. Onze solide bedrijfsbasis biedt wereldwijde partners stabiele productprestaties en betrouwbare leveringsgaranties.


Door geavanceerde productieprocessen en geavanceerde technologie te integreren, lanceert Yaming met trots de 20A Combinatie Rotary Cam Switch 4kW. Dit zorgvuldig ontworpen product combineert duurzaamheid en operationele flexibiliteit en biedt stabiele, efficiënte en op maat gemaakte besturingsoplossingen voor verschillende circuittoepassingen.


Technische specificaties


De 20A Combinatie Draainokkenschakelaar 4kW behoort tot de HZ5 serie combinatieschakelaars. De belangrijkste technische specificaties zijn als volgt: Toepasbare circuits zijn AC 50 Hz; nominale bedrijfsspanning: AC maximaal 380V, DC maximaal 240V; nominale stroom: maximaal 63A; nominaal vermogen: 4kW; nominale stroom voor dit model is 20A.


Belangrijkste toepassingen


De 20A combinatie roterende nokkenschakelaar 4kW is geschikt voor handmatige, onregelmatige circuitschakeling en -besturing. Typische toepassingen zijn onder meer de directe besturing van AC-motoren met een kleine capaciteit, gebruik als hoofdbesturings- en circuitmeetapparaat, motorsnelheidsregeling en algemene circuitschakeling en -conversie in verschillende elektrische apparatuur.


Producteigenschappen


De 20A Combinatie Rotary Cam Switch 4kW biedt stabiele prestaties en een breed scala aan toepassingen, geschikt voor verschillende industriële en commerciële scenario's. Het is compatibel met wereldwijd erkende spannings- en stroomnormen, waardoor wereldwijd gebruik wordt vergemakkelijkt. Het ondersteunt handmatige, onregelmatige aansluiting en ontkoppeling van circuits, waardoor directe bediening van AC-motoren met kleine capaciteit en multifunctionele bediening mogelijk is. Er zijn ook maatwerkdiensten beschikbaar, waarbij het bereik en het poolnummer van de schakelaar volledig zijn aangepast aan de specifieke behoeften van de klant.


Producttoepassing



Technische parameters



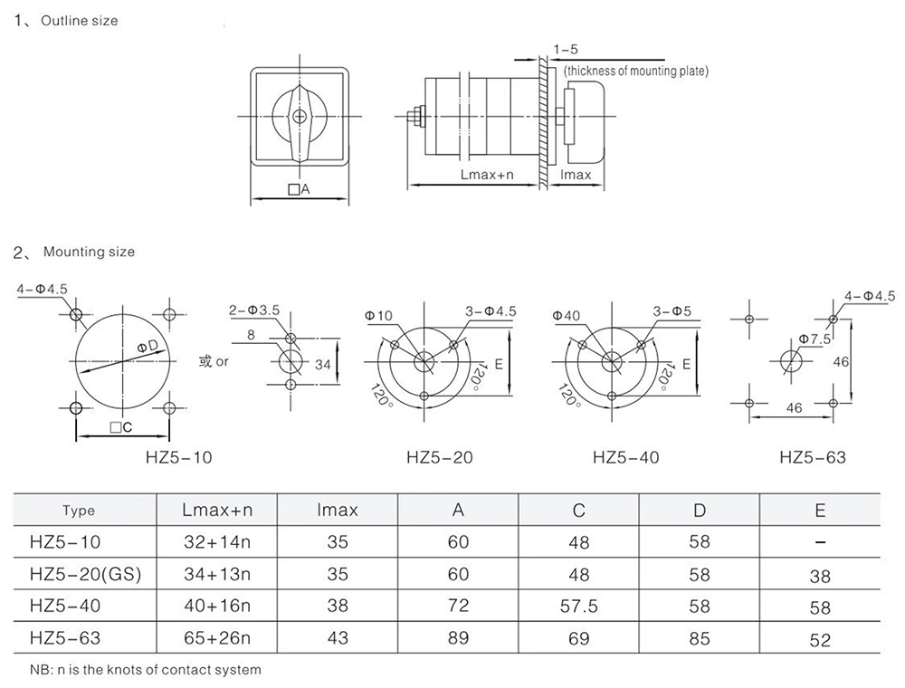
Productoverzichtgrootte installatiegrootte


Hottags: 20A Combinatie roterende nokkenschakelaar 4kw China, fabrikant, leverancier, fabriek
Stuur onderzoek
Contact informatie
Als u vragen heeft over een offerte of samenwerking, kunt u een e-mail sturen of het volgende vragenformulier gebruiken. Onze verkoopvertegenwoordiger neemt binnen 24 uur contact met u op.
X
We gebruiken cookies om u een betere browse-ervaring te bieden, het siteverkeer te analyseren en de inhoud te personaliseren. Door deze site te gebruiken, gaat u akkoord met ons gebruik van cookies. Privacybeleid
Afwijzen Accepteren