VOLG ONS:

Producten
20A hangslotcombinatie roterende nokkenschakelaar 4 kW
  • 20A hangslotcombinatie roterende nokkenschakelaar 4 kW20A hangslotcombinatie roterende nokkenschakelaar 4 kW

20A hangslotcombinatie roterende nokkenschakelaar 4 kW

Met meer dan 30 jaar ervaring in de sector introduceert Yaming de 20A hangslotcombinatie-draaicameraschakelaar 4kW, een veilige, stabiele en aanpasbare besturingsoplossing voor 50Hz AC-circuits. Dit product is ontworpen voor betrouwbare handmatige circuitschakeling, motorbesturing en metingen en integreert robuuste productieprocessen, strenge kwaliteitscontrole en vergrendelbare veiligheidsvoorzieningen om aan de wereldwijde industriële elektrische behoeften te voldoen. Als professionele fabrikant, gevestigd in China, bieden wij stabiele productprestaties en flexibele maatwerkdiensten om aan uiteenlopende toepassingsvereisten te voldoen.

Zhejiang Yaming Electric, met meer dan 30 jaar professionele ervaring in de sector, is een vertrouwde toonaangevende fabrikant van elektrische schakelaars. Door gebruik te maken van sterke technische capaciteiten en een rigoureus kwaliteitsmanagementsysteem, exploiteren we een moderne fabriek die is uitgerust met precisieprocessen en geavanceerde technologie, waardoor wordt gegarandeerd dat elk product aan de internationale normen voldoet.


Met trots introduceren wij de Yaming 20A hangslotcombinatie met roterende nokkenschakelaar 4kW, een krachtig onderdeel in de HZ5-serie. Deze schakelaar biedt een stabiele, efficiënte en aanpasbare bediening voor verschillende elektrische circuittoepassingen, waarbij een vergrendelbare functie is geïntegreerd om de operationele veiligheid te vergroten.


Technische parameters


1. Serie: HZ5-serie combinatieschakelaar

2. Toepasbare scenario's: 50 Hz AC-circuits

3. Nominale bedrijfsspanning: tot 380 V AC, 240 V DC

4. Nominale stroom: tot 63A (dit model: 20A, 4kW)

5. Toepassingen: handmatig, onregelmatig schakelen, regelen en converteren van circuits


Kernfuncties


1. Directe besturing van AC-motoren met kleine capaciteit

2. De 20A hangslotcombinatie roterende nokkenschakelaar 4kw kan worden gebruikt als hoofdcontrole- en circuitmeetapparaat.

3. Ondersteunt motorsnelheidsregeling en circuitconversie.

4. Uitgerust met een afsluitbare veiligheidsfunctie, waardoor veilige en onregelmatige aan/uit-bedieningen mogelijk zijn.


Producteigenschappen


1. 20A hangslotcombinatie roterende nokkenschakelaar 4kw Geschikt voor 50Hz AC-circuits, ondersteunt tot 380V AC/240V DC, met een maximale nominale stroom van 63A.

2. Maakt handmatige, onregelmatige circuitaan- en ontkoppeling mogelijk voor besturingstoepassingen.

3. Kan AC-motoren met kleine capaciteit rechtstreeks aandrijven, met hoofdbesturings- en meetfuncties.

4. Ondersteunt volledig maatwerk: het aantal polen en bereiken kan volledig worden aangepast aan de specificaties van de klant.


Producttoepassing



Technische parameters



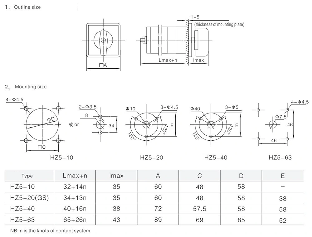
Productoverzichtgrootte installatiegrootte


Waarom kiezen voor Yaming?


Als betrouwbare wereldwijde leverancier combineert Yaming tientallen jaren ervaring in de sector, een rigoureus kwaliteitssysteem en flexibele productiemogelijkheden om klanten te voorzien van veilige, duurzame en toepassingsspecifieke roterende nokkenschakelaars. Onze 20A hangslotcombinatie-draainokschakelaar 4kW valt op door zijn stabiliteit, veiligheid, veelzijdigheid en aanpassingsmogelijkheden, waardoor hij ideaal is voor industriële besturing en stroomdistributie.



Hottags: 20A hangslotcombinatie roterende nokkenschakelaar 4kw China, fabrikant, leverancier, fabriek
Stuur onderzoek
Contact informatie
Als u vragen heeft over een offerte of samenwerking, kunt u een e-mail sturen of het volgende vragenformulier gebruiken. Onze verkoopvertegenwoordiger neemt binnen 24 uur contact met u op.
X
We gebruiken cookies om u een betere browse-ervaring te bieden, het siteverkeer te analyseren en de inhoud te personaliseren. Door deze site te gebruiken, gaat u akkoord met ons gebruik van cookies. Privacybeleid
Afwijzen Accepteren